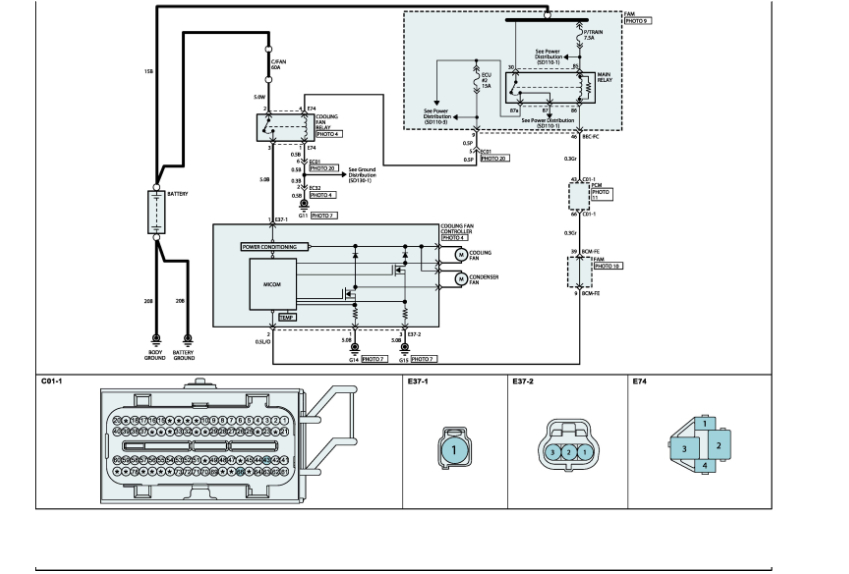
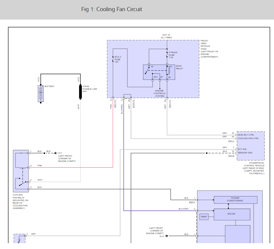
2007 Kia Sedona Cooling Fan Wiring Diagram

2001 Hyundai Elantra Wiring Diagram, Hyundai Elantra Wiring Diagrams 1998 to 2016, 8.63 MB, 06:17, 15,957, John Amahle, 2018-11-17T16:37:24.000000Z, 19, 2001 Hyundai Elantra Radio Wiring Diagram For Your Needs, www.dentistmitcham.com, 1404 x 1200, jpeg, hyundai elantra wiring diagram radio 2001 forums needs, 20, 2001-hyundai-elantra-wiring-diagram, Anime Arts
2012 kia sportage cooling fan wiring. To properly read a electrical wiring diagram, one offers to learn how the particular components in the system operate. For instance , if a module is usually powered up and it sends out a new signal of half the voltage and the technician will not know this, he would think he has a challenge, as he would. In this article you will find a description of fuses and relays kia, with photos of block diagrams and their locations.
Get tips on blown fuses, replacing a fuse, and more. Didn't find an answer on the cooling fan wiring diagram of the kia sedona? Ask a question to our experts and in the near future the answer will appear on this page! Volvo xc90 diagnosed + fixed | replace ignition coil and plugs. Troubleshooting electric cooling fan problems in cars hello, need service manual and wiring diagram for kia carnival/sedona 2000 model #306. Arun taneja (friday, 02 july 2021 15:16) need an owners manual in pdf for audi a6 2020 technology variant. Hi looking for wiring diagram of 2007 cts and especially the bcm pinout diagram thanks #286. I need a diagram for a 2007 kia sedona relay. Posted by paco6338 on sep 12, 2016.
2007 Kia Sedona Radiator Fan | kiabestcars

I have a 2007 Kia Sedona van which is showing a fault code of P0480. I understand this is

☑ Kia Sedona A C Wiring Diagrams

Cooling Fans Are Not Coming On: My Cooling Fans Are Not Coming On...

Kia Sedona Engine Cooling Fan Controller. Entourage. Sedona - 253854D900 | Hyman Bros Kia Parts

Cooling Fans Are Not Coming On: My Cooling Fans Are Not Coming On...

I have a kia 2005 sedona.the cooling fan does not come on even with a/c on.i disconnected
2007 Kia Sedona Radiator ~ Best KIA
2007 Kia Sedona Radiator ~ Best KIA
