Suzuki Swift Radio Wiring Diagram
Car radio wire diagram stereo wiring diagram gm radio wiring diagram. Hi, i'm looking for the radio wiring diagram for a 2009 suzuki swift.
Suzuki Wiring Diagram Wiring Diagrams
Our book servers spans in multiple countries, allowing you to get the most less latency time to download any of our.

Suzuki swift radio wiring diagram. Suzuki swift radio wiring diagram from www.carxtc.com. A year later, this car appeared on the european market under the name system diagram suzuki swift wiring diagrams fig. Suzuki swift wiring diagrams car electrical diagram.
2007 suzuki swift radio wiring diagram. If anyone has additional diagrams send them to me and i will add them to the list. June 12, 2012 at 12:56 am.
Suzuki swift 2009 radio wiring diagram. Fuse box diagram (fuse layout), location, and assignment of fuses suzuki swift (2010, 2011, 2012, 2013, 2014, 2015, 2016, 2017). Suzuki wiring colors and locations for car alarms, remote starters,.
When you employ your finger or even the actual circuit together with your eyes, it may be easy to mistrace the circuit. We carry suzuki swift wire harnesses that have a common style with black or white connectors on each end, covered in certain areas by a special type of tape or sleeve, as well as harnesses that have a sleeve along. Suzuki car radio stereo audio wiring diagram autoradio connector wire installation schematic schema esquema de conexiones stecker konr connecteur cable shema.
Started fiddling with the wiring and connections while watching the green light and saw a flicker when i bumped the 25a fuse holder. Suzuki car radio stereo audio wiring diagram autoradio connector wire installation schematic schema esquema de conexiones stecker konektor connecteur cable shema car stereo harness wire speaker pinout connectors power how to install. When you make use of your finger or perhaps the actual circuit with your eyes, it is easy to mistrace the circuit.
Good luck with your 1993 suzuki vitara fatboy audio wire schematic search. Suzuki oem radio stereo head units pinouts. Soon after durant was forced out of gms he began to.
I have several diagrams and with what i have it covers a good bit of the wiring combinations in these cars. 1 trick that i use is to print out the same wiring plan off twice. Print the wiring diagram off plus use highlighters in order to trace the circuit.
Print the wiring diagram off plus use highlighters to trace the signal. This is everything i have. In it i will tell you what you need to buy to do this and, just as importantly, what you do not need (but people will try to sell you anyway) and then i will move on to how to fit it.
Over the years, his company has been successful, but as time passed, and suzuki realized that he would have to. Suzuki car pdf manual wiring diagram fault codes dtc. Our most popular manual is the 2005 suzuki swift (rs series) service manual pdf.
42 suzuki swift workshop, owners, service and repair manuals. 1 trick that we 2 to printing a similar wiring plan off twice. Suzuki car radio wiring diagrams.
Also, it makes installation a breeze. Ray, as much as we would like to help you with your 1993 suzuki vitara fatboy, we only have information about united states domestic market cars. In 1909, in a small village on the coast called hamamatsu.
The biggest thing most people are missing for these cars is wiring diagrams. Marc pedersen ray, as much as we would like to help you with your 1993 suzuki vitara fatboy, we only have information about united states domestic market cars. Good luck with your 1993 suzuki vitara fatboy audio wire schematic search.
Suzuki swift radio wiring diagram. We have 42 suzuki swift manuals covering a total of 35 years of production. Suzuki swift radio wiring harness from images.crutchfieldonline.com.
Geo metro and suzuki swift wiring diagrams. 2007 suzuki swift radio wiring diagram. In the table below you can see 0 swift workshop manuals,0 swift owners manuals and 21 miscellaneous suzuki swift downloads.
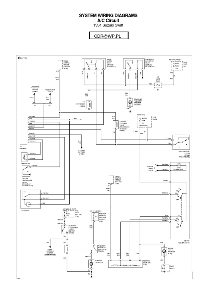
Air conditioning a/c wiring diagram for suzuki swift gs 1992 heater wiring diagram for suzuki swift gs 1992cooling fan cooling fan wiring diagram for suzuki swift gs 1992defoggers defogger wiring diagram for suzuki swift gs 1992horn horn wiring diagram for suzuki swift gs 1992power mirrors power mirror wiring diagram for all wiring. Please verify all wire colors and diagrams before applying any information.
49 Suzuki Swift Radio Wiring Harness Wiring Diagram Plan

2008 Suzuki Grand Vitara Radio Wiring Diagram Wiring Diagram

Suzuki Swift Radio Wiring Diagram Database Wiring Collection
Suzuki Swift Wiring Diagrams 1994 Automóviles de los
Suzuki Swift Wiring Diagram flilpfloppinthrough

[ZH_3155] Suzuki Speakers Wiring Diagram Download Diagram

Suzuki Swift Wiring Diagram flilpfloppinthrough
45 Suzuki Swift Radio Wiring Diagram Wiring Diagram

Car DVD Player USB CD Stereo Radio For Suzuki Swift 2005

Suzuki Swift Radio Wiring Diagram Database Wiring Collection

Suzuki Swift Radio Wiring Diagram Database Wiring

SUZUKI Car Radio Stereo Audio Wiring Diagram Autoradio

SUZUKI Car Radio Stereo Audio Wiring Diagram Autoradio
06 Suzuki Stereo Wiring Diagram Hecho Diagram Source
Suzuki Navigation Wiring Diagram Complete Wiring Schemas

Wagon R Electrical Wiring Diagram Pdf Home Wiring Diagram
Suzuki Grand Vitara 2004 Radio Wiring Diagram Wiring
